Back to overview

Tetra Therm

Tetra Therm Lacta C6

Assortment
Heat exchangers
Category
Plate heat exchangers
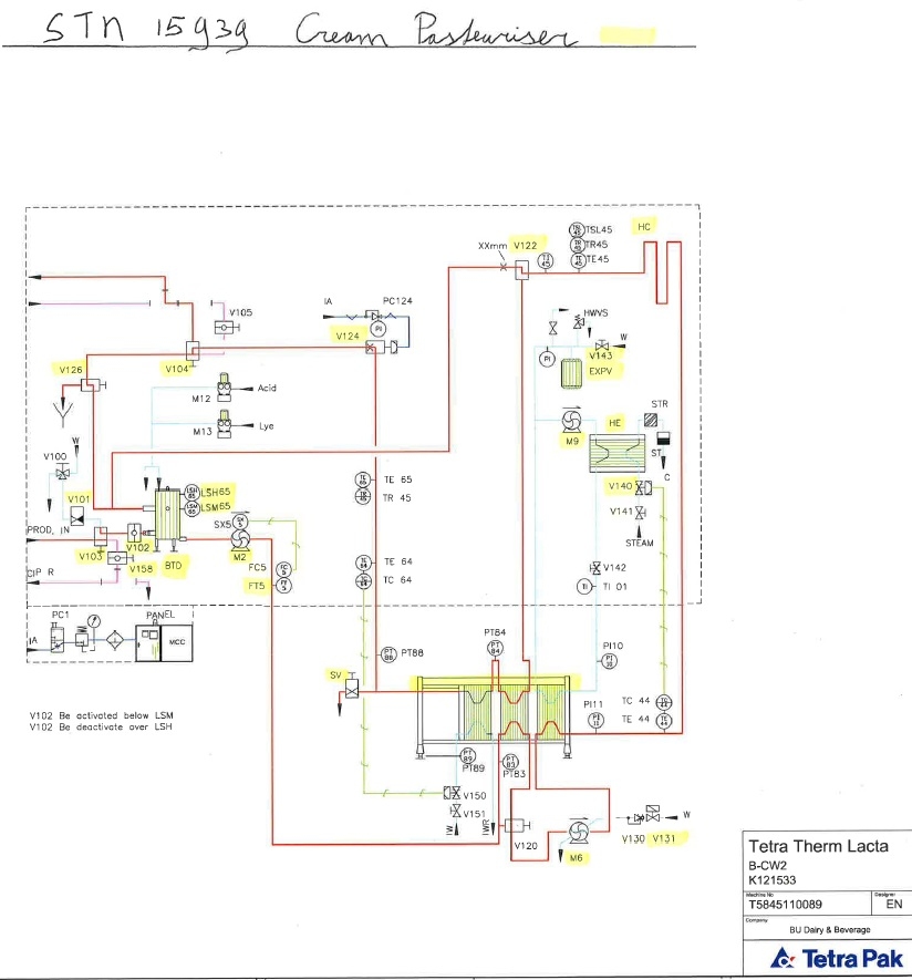
Stock number
STN15939
Type
Lacta C6
Year of construction
2001
Capacity
2.000 liter per hour
Cream pasteuriser skid mounted, model: Tetra Therm skid mounted with balance tank, centrifugal pumps (feed and booster pump), holding tube and Alfa Laval C6 plate heat exchanger 3 sections, regeneration, heating and cooling by icewater. Thermal cycle: 55-95-4°C, steam valves, steam hotwater heatexchanger, water pump, sensors, control box with temperature recorder. P&ID available and documentation (component information) included. Dimensions skid: 260x160x236 (lxwxh) cm - weight: 559 kg - plate heat exchanger weight: 431 kg.

Can LDFE help me with the installation?

Yes, if desired our mechanics can install the equipment at your premises . Also, we can offer long-distance assistance by giving instructions by video call or remote control (when installed).

What do the conditions ‘refurbished’, ‘good running’ and ‘as is’ mean?

We can offer our machinery in three conditions: ‘refurbished’,  ‘good running’ and ‘as is’. ‘Refurbished’ refers to a complete revision of a used machine to give it a second life. Our standard procedure when completely refurbishing a used machine is:

  • Strip down to the frame: blasting and spraying of steel components
  • All component wear: replacement of bearings, bushes and gaskets
  • Replacement of damaged or worn components
  • New cabling and control systems (latest updates)
  • 6 month warranty
  • Guaranteed spare parts supply for 5 years
  • Optional: supervision of commissioning and operator training
  • Optional: CE marking
  • Optional: custom modifications

Buying a ‘good running’ machine is a cheaper solution. In this condition, we do not completely overhaul the machine,  but do the necessary works to get the machine in working condition. The machine is tested in our workshop and components are only replaced if necessary. This price is always subject to conditions, as on occasion it becomes evident during the tests that there is an expensive fault. If this is the case, the buyer receives a quotation for the additional costs and is also given the option to cancel the purchase.

Machines are almost always sold ex-factory and can be deployed in the same condition in which we bought them: ‘as is’. However, the machine has not been inspected by us and there is no guarantee of its current condition. We always recommend that a machine is inspected prior to purchase and only to buy ‘as is’ if you have a thorough knowledge of machines. We can always tell you whether we purchased the machine in operating condition or whether it had already been decommissioned. Documentation is not always included and can only be supplied if it was present at the time of purchase.

Can I trust used machines?

We have been dealing with used machines since 1996 from the same place we started the business and growing every year. If a (small) problem arises, we also try to find a solution with our customers. We always have been a reliable partner due to our experience with used machinery.

Can LDFE also offer new machines?

Yes, in particular process equipment such as pasteurisers, standardisation equipment, CIP units, Cheese UHT unit etc. A hybrid form of new and rebuild is also possible.

Contact us!

Contact details

+31(0)348-558080
info@lekkerkerker.nl

Address

Handelsweg 4
3411 NZ Lopik, The Netherlands

Opening hours

Mon-Thu: 07.30 - 17.00 UTC+1
Fri: 07.30 - 16.30 UTC+1